11
   
 
 

返回上页

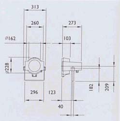
紧凑型投光灯具MVF606  Decoflood系列

材质

  • 高压铸铝灯具本休.灯具整体黑色粉未静电喷涂

  • 4mm-5mm厚钢化玻璃

  • 高纯度阳极氧化铝反射器

  • 铝或镀锌钢材安装支架

特点

  • 一体化灯具设计.结构紧凑.外形美观.可与建筑物密切结合

  • 设计精良的反射器.光效高.配光精确.有宽光束.中光束.窄光束三种配光(MVF605除外)适应不同场所

  • 灯具附有调光刻度板.方便调整照射角度

  • 适用光源:
      PAR38 120W(MVF605)
      CDM-T 35W-150W
      SDW-T 35W-100W

  • 通用的安装支架能适应多种安装方式.灵活简单.维护简便

  • 有多种遮光器和彩色玻璃及遮光罩可供选配

    防护等极:IP65
    电器绝缘等级:Class l

适用场所:
广告牌.建筑物泛光照明.雕塑照明.城市亮化照明

灯具型号

适用光源

电压

镇流器

配光

重量(kg)
MVF605

PAR38 120W

220V/50Hz   由光源决定

2.4

MVF606

SON-T 70W
SDW-T 35W
SDW-T 50W
SDW-T 100W
CDM-T 35W
CDM-T 70W
CDM-T 150W

220V/50Hz IC

窄光束
中光束
宽光束

6.8
6
5.6
7
6
6.7
7.4


项次 灯具型号 光源/电器箱型号
1 DWP604/50W W/O LAMP
2 DWP604/50W 石英灯杯 50W
3 QVF605/PAR38  PAR38 80W E27 W/O LAMP
4 MVF606/100W NB SDW-T 100W 
5 MVF606/150W NB CDM-T 150W/830
6 MVF606/35W NB CDM-T 35W/830
7 MVF606/50W NB CDM-T 50W
  MVF606/70W NB SON-T 70W
  MVF606/70W NB CDM-T 70W/830
  MVF606/150W NB CDM-T 150W/830

备注: NB 表示窄光;MB 表示中光;WB 表示宽光。

 
 
left1
left2 PHILIPS飞利浦
left1
left2 OSRAM 欧司朗
left1
left2 TOSHIBA 东芝
left1
left2 GE 通用电器
left1
left2 USHIO 优秀
left1
left2 其它产品
left1
 
 
foot1
Copyright@2001 towway.net All rights reserved  惠州市同为照明有限公司版权所有(C)  粤ICP备 06031846号-2
  地址:   广东省  惠州市  惠城区  河南岸  演达二路   怡景华庭首层 (阳光御园后面) 电话:0752-2210266